Zhejiang Sehnaider Electric Co, ltd.
Zhejiang Sehnaider Electric Co, ltd.
Produk
Lmzj1-0.5-60 transformer saiki
  • Lmzj1-0.5-60 transformer saikiLmzj1-0.5-60 transformer saiki

Lmzj1-0.5-60 transformer saiki

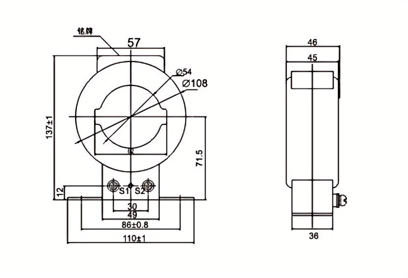
LMZJ1-0.5-60 Transformer saiki dirancang khusus kanggo pangukuran lan aplikasi perlindungan sing tepat ing sistem listrik. Kanthi macem-macem saiki 0.5-60a, transformer kasebut nawakake kinerja sing dipercaya lan akurat ing macem-macem setelan industri.

Transformer saiki iki kompak kanthi ukuran, nggampangake instalasi gampang lan nggawe dheweke cocog kanggo macem-macem sistem sistem listrik. Dibangun kanthi bahan sing awet, LMZJ1-0.5-60 Transformer saiki dibangun nganti pungkasan, nyedhiyakake stabilitas jangka panjang lan operasi sing bisa dipercaya. Cacah ing lmzj1-0.5-60 transformasi saiki kanggo pangukuran saiki sing tepat lan perlindungan sistem listrik sing efektif.


Spesifikasi

Rated voltase 500v
Frekuensi dirating 50hz
Ricanat primer 10Aku, 12.5A, 15A, 25A, 25A .., 6000A
Saiki Dipuntahiki Saiki Secondary 5a; 1a
Kekuwatan beban sekunder
faktor
0,8 (wektu tundha)
Output 2.5va, 5va, 10va, 20va
Akurasi 0,2; 0.2s; 0,5; 0.5s
Resistensi isolasi Kapabilitas isolasi saka pertemuan utami kanggo nduwurke tumpukan sekunder
lan menyang bumi ≥20mω
Frekuensi daya
Tahan voltase
Nilai sing bener kanggo nduwurke tumpukan utama kanggo nduwurke tumpukan sekunder
lan menyang bumi ≥ 3kv

Hot Tags: Lmzj1-0.5-60 transformer saiki
Kirim Pitakonan
Info kontak
Yen sampeyan duwe pitakon babagan kutipan utawa kerjasama, bukak email gratis ing River@dahelec.com utawa gunakake formulir pitakon ing ngisor iki. Perwakilan penjualan kita bakal ngubungi sampeyan sajrone 24 jam. Matur nuwun kanggo kapentingan ing produk kita.
X
We use cookies to offer you a better browsing experience, analyze site traffic and personalize content. By using this site, you agree to our use of cookies. Privacy Policy
Reject Accept