Kelas akurasi dhuwur 0,,5 - nyedhiyakake pangukuran saiki kanggo metering lan ngawasi aplikasi.
Range ngukur sudhut - ndhukung macem-macem rasio saiki kanggo ngrampungake macem-macem kahanan beban.
Desain kompak & ringan - gampang diinstal ing ruang sing ketat tanpa kinerja sing kompromi.
Kestabilan termal sing apik - njamin operasi stabil sanajan suhu fluktuasi.
Insulasi & safety kuwat - tundhuk karo standar safety industri, nawakake pangayoman sing bisa dipercaya nglawan kesalahan listrik.
Aplikasi serba guna - Cocog kanggo digunakake ing panel Distribusi Daya, otomatisasi industri, lan sistem energi sing dianyari maneh.
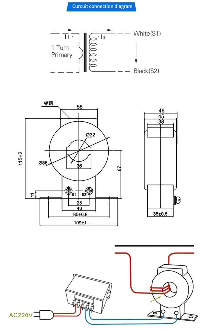
Dirating primer: disesuaikan (e.g., 5a ~ 2000A)
Saiki Secondary Saiki: 5a utawa 1A (standar)
Kelas akurasi: 0,5
Frekuensi: 50Hz / 60Hz
Tingkat Insulasi: Nganti 3KV
Suhu operasi: -25 ° C nganti + 70 ° C
Power Metering & Monitoring Energy
Perlindhungan Relay & Circuit Breakers
Sistem Elektrik & Komersial
Pamasangan Daya Suria & Angin

alamat
Zona Industri Xiangyang, Yueqing, Zhejiang, China
Telp