Zhejiang Sehnaider Electric Co, ltd.
Zhejiang Sehnaider Electric Co, ltd.
Produk
Bh-0.66-50 Transformer saiki
  • Bh-0.66-50 Transformer saikiBh-0.66-50 Transformer saiki

Bh-0.66-50 Transformer saiki

The BH-0.66-50 Transformer saiki minangka instrumen precision sing dirancang kanggo pangukuran lan pemantauan saka otengan listrik ing macem-macem aplikasi industri. Kanthi arus sing dirating 50a lan rasio transformasi 0.66, transformer saiki nyedhiyakake kapabilitas pangukuran saiki sing bisa dipercaya.

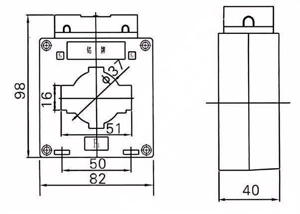
Transformer saiki Indoor Epoks Resin utawa Casing Plastik Plastik Saiki

• Fase tunggal, rong tahap utawa telu fase.

• Nilai voltase: 0.66KV

• Kelas metering kanggo CT: 0,2,0.5, 0.5s

• Standard: IEC61869-2

• Jeneng jinis: Bh-0.66-50

Transformer saiki ing njero ruangan iki digunakake ing 0.66kv, 0.75kv. Sistem daya, kanggo ngukur lan perlindungan.

Wis digunakake ing cubicle Switchgear utawa ing stasiun ngalih teluk sing dipasang.

Tlatah BH-0.66-50 saiki digawe saka jero ruangan indoor jero ruangan, inti wesi amerfap kanggo metering lan inti ing njero ati kanggo perlindungan, tembaga elektrolitik murni.


Aplikasi:

Sistem Distribusi Daya

Sistem Manajemen Energi

Ngawasi Peralatan Industri

Sistem energi sing dianyari


1. Bahan premium

Intine kelas dhuwur: baja silikon presisi utawa laminasi silikon kanggo kerugian minimal lan linearitas tinggi.  

Insulasi sing kuat: Desain desain epoksi njamin stabilitas jangka panjang ing lingkungan sing angel.  


2 .. Kinerja unggul

Akurasi: Kelas 0,2 / 0,5 kanggo metering, 5P / 10p kanggo perlindungan, netepi IEC 61869, 60044, IEEE, lan ANSI standar.  

Sudhut sudhut: Ndhukung sistem 0.6KV-36KV, kanthi rasio / frekuensi khusus (50 / 60Hz).  

Munggah termal murah: Desain sing dioptimalake nyuda odhopurasi, mbuwang umur.  

Kekebalan Emc: Shields nglawan gangguan elektromagnetik kanggo sinyal sing bisa dipercaya.  


3 .. Layanan & Dhukungan

Solusi Custom: rasio sing cocog, ukuran, utawa konektor (e.g., din alur, terminal IEc).  

Sertifikasi global: IEC, CE, ISO, lan Grid Detail Local.  

Bantuan Teknis Lifong: Dhukungan 24/7, tuntunan instalasi, lan pasokan bagean spare.  

Pangiriman kanthi cepet: Produk standar ing 2-4 minggu; Pilihan sing cepet kanggo kabutuhan cepet.  


Paramèter teknis utama

Dipasang Primary
Saiki (a)
Akurasi
kelas
kombinasi
Output Secondary (VA) 1s Thermal Saiki (Ka) Rated dinamis saiki (ka)
0,2 (s) 0.2 0.5 10p10
5-40 0,2 / 10p10
0,5 / 10p10
/ 10 10 15 90lin 220lin
5-40 100L 250lin
5-40 20 50
5-40
5-40 36 90
10
5-40 45 100
5-40 56 100
5-40
5-40 80 110
5-40 100 110




Hot Tags: Bh-0.66-50 Transformer saiki
Kirim Pitakonan
Info kontak
Yen sampeyan duwe pitakon babagan kutipan utawa kerjasama, bukak email gratis ing River@dahelec.com utawa gunakake formulir pitakon ing ngisor iki. Perwakilan penjualan kita bakal ngubungi sampeyan sajrone 24 jam. Matur nuwun kanggo kapentingan ing produk kita.
X
Kita nggunakake cookie kanggo menehi pengalaman browsing sing luwih apik, nganalisa lalu lintas situs lan nggawe konten pribadi. Kanthi nggunakake situs iki, sampeyan setuju kanggo nggunakake cookie. Kebijakan Privasi
nolak Nampa