Zhejiang Sehnaider Electric Co, ltd.
Zhejiang Sehnaider Electric Co, ltd.
Produk
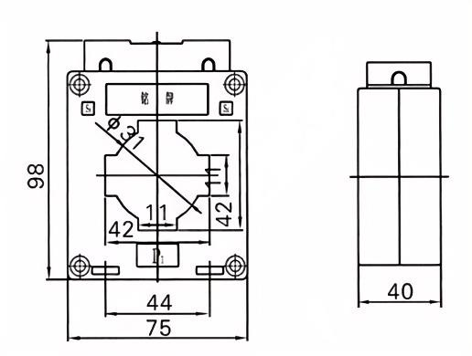
Bh-0.66-40 Transformers saiki
  • Bh-0.66-40 Transformers saikiBh-0.66-40 Transformers saiki

Bh-0.66-40 Transformers saiki

The BH-0.66-40 Transformer saiki minangka piranti sing dirancang precisioner sing dirancang kanggo pangukuran lan monitor energi sing akurat ing sistem listrik listrik kurang. Kanthi voltase sing dirating 0.66KV, transformer kasebut mesthekake kinerja sing dipercaya ing industri, komersial, lan panggunaan.

Fitur:

Akurasi dhuwur: Bh-0.66-40 trafformer saiki kanthi standar IEC, ngirim transformasi saiki kanggo metering lan perlindungan.

Kinerja stabil: linearitas sing apik lan pamindahan phase sing kurang kanggo maca sing konsisten.

Konstruksi tumpahan: Bahan-bahan retardant bisa nambah safety lan daya tahan.


Aplikasi:

Sistem Manajemen Energi

Panel distribusi daya

Meter Smart lan Automation Smart

Pemasangan energi sing bisa dianyari


Paramèter teknis utama

Dipasang Primary
Saiki (a)
Akurasi
kelas
kombinasi
Output Secondary (VA) Apa Thermal Saiki (Ka) Rated dinamis saiki (ka)
0,2 (s) 0.2 0.5 10p10
5-40 0,2 / 10p10
0,5 / 10p10
/ 10 10 15 90lin 220lin
5-40 100L 250lin
5-40 20 50
5-40
5-40 36 90
10
5-40 45 100
5-40 56 100
5-40
5-40 80 110
5-40 100 110


Hot Tags: Bh-0.66-40 Transformers saiki
Kirim Pitakonan
Info kontak
Yen sampeyan duwe pitakon babagan kutipan utawa kerjasama, bukak email gratis ing River@dahelec.com utawa gunakake formulir pitakon ing ngisor iki. Perwakilan penjualan kita bakal ngubungi sampeyan sajrone 24 jam. Matur nuwun kanggo kapentingan ing produk kita.
X
Kita nggunakake cookie kanggo menehi pengalaman browsing sing luwih apik, nganalisa lalu lintas situs lan nggawe konten pribadi. Kanthi nggunakake situs iki, sampeyan setuju kanggo nggunakake cookie. Kebijakan Privasi
nolak Nampa