Zhejiang Sehnaider Electric Co, ltd.
Zhejiang Sehnaider Electric Co, ltd.
Produk
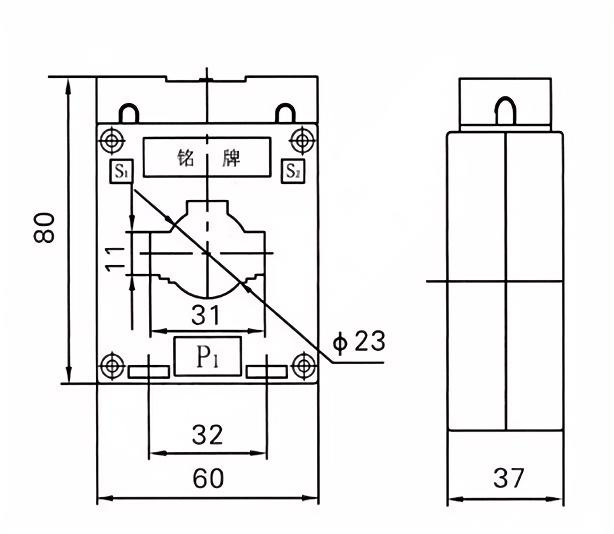
Bh-0.66-30 Transformers saiki
  • Bh-0.66-30 Transformers saikiBh-0.66-30 Transformers saiki

Bh-0.66-30 Transformers saiki

The BH-0.66-30 Transformer saiki (CTS) minangka instrumen sing dirancang presisi sing dirancang kanggo pangukuran lan ngawasi saiki kanthi akurat ing sistem listrik listrik sing kurang-voltase. Kanthi voltase insulasi sing dirating saka 0.66KV, transformer kasebut cocog kanggo manajemen energi, relaying realating proteksi, lan aplikasi meter.

Fitur:

Akurasi dhuwur: ngrampungake standar IEC 61869, njamin kinerja sing dipercaya kanggo tujuan tagihan lan ngawasi.

Desain kompak: konstruksi angkasa kanggo instalasi gampang ing ruang sing ketat.

Judul Saiki: Saiki primer nganti 30A, cocog kanggo macem-macem industri lan komersial.

Bahan-bahan awet: omah sing kuat nyedhiyakake resistansi faktor lingkungan lan stres mekanik.

Pematuhan safety: Bh-0.66-30 Transformer transfer saiki kanthi sertifikasi keamanan lan kinerja internasional.


Aplikasi:

Sistem metering energi ing sistem distribusi Daya.

Perlindhungan overcurrent ing circuit breaker lan relay.

Integrasi karo solusi pemantauan Smart Grids lan IOT-IOT-IOT.

Teknik teknis:

Voltase dirating: 0.66kv

Frekuensi: 50 / 60Hz

Kelas akurasi: 0,5, 1.0 (disesuaikan)

Burden: Minangka syarat pelanggan


Paramèter teknis utama

Dipasang Primary
Saiki (a)
Akurasi
kelas
kombinasi
Output Secondary (VA) Apa Thermal Saiki (Ka) Rated dinamis saiki (ka)
0,2 (s) 0.2 0.5 10p10
5-40 0,2 / 10p10
0,5 / 10p10
/ 10 10 15 90lin 220lin
5-40 100L 250lin
5-40 20 50
5-40
5-40 36 90
10
5-40 45 100
5-40 56 100
5-40
5-40 80 110
5-40 100 110


Hot Tags: Bh-0.66-30 Transformers saiki
Kirim Pitakonan
Info kontak
Yen sampeyan duwe pitakon babagan kutipan utawa kerjasama, bukak email gratis ing River@dahelec.com utawa gunakake formulir pitakon ing ngisor iki. Perwakilan penjualan kita bakal ngubungi sampeyan sajrone 24 jam. Matur nuwun kanggo kapentingan ing produk kita.
X
Kita nggunakake cookie kanggo menehi pengalaman browsing sing luwih apik, nganalisa lalu lintas situs lan nggawe konten pribadi. Kanthi nggunakake situs iki, sampeyan setuju kanggo nggunakake cookie. Kebijakan Privasi
nolak Nampa